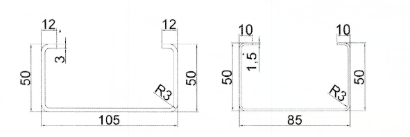
YX50-85/YX50-105
BMS

| いいえ。 | 主なパラメータ | ロールフォーミングミルのパラメータ | ||
| 1. | 材料の厚さ | 1.5~3.0mm | 形成ステーション | 14ステップ |
| 2. | 送り幅 | 図面によると | ボディフレーム | H400 |
| 3. | 申請資料 | 亜鉛メッキ板 | 側壁の厚さ | 25mm |
| 4. | 電気規格 | 380V50Hz/3相 | 軸 直径 | 45#スチール、80φ/φ65mm |
| 5. | 手動アンコイラー直径 | 508±30 mm | メインモーター出力 | 18.5KW |
| 6. | 降伏強さ | G550MPa | ネジボルト | グレード8.8 |
| 7. | 成形速度 | 25m/分 | 有効幅 | 顧客の設計として |
| 8. | 制御システム | PLC制御システム | ローラー | Cr12 鋼、CNC 旋盤、熱処理、硬質クロムコーティング。 |
| 9. | 油圧モーター | 7.5KW | マシンカラー | 青+黒+オレンジ |
ワークフロー
油圧デコイラー (5トン) → 送りガイド・レベリング・パンチ装置 →油圧プレカッター→メインロール成形機 → 油圧ポストカッター → PLC制御システム →排出ラック(3M*2)
機械部品の展示
レベリング装置
ポストからカット、ストップからカット、2ピースタイプの切刃設計、ブランキングなし
油圧モーター:7.5KW ; 切断圧力: 0-16Mpa;
切削工具材質: Cr12Mov(= SKD11 切削寿命100万回以上)、熱処理HRC58~62度
供給材ガイド付、本体フレームは材質 H400溶接による鋼の型付け
から製造されたシャフト 45#スチール、焼き入れ焼き戻し熱処理、硬質クロムメッキ。
直径=φ80/φ65mm、精密機械加工
PLC制御キャビネット
ポストカッター
機械生産品


| いいえ。 | 主なパラメータ | ロールフォーミングミルのパラメータ | ||
| 1. | 材料の厚さ | 1.5~3.0mm | 形成ステーション | 14ステップ |
| 2. | 送り幅 | 図面によると | ボディフレーム | H400 |
| 3. | 申請資料 | 亜鉛メッキ板 | 側壁の厚さ | 25mm |
| 4. | 電気規格 | 380V50Hz/3相 | 軸 直径 | 45#スチール、80φ/φ65mm |
| 5. | 手動アンコイラー直径 | 508±30 mm | メインモーター出力 | 18.5KW |
| 6. | 降伏強さ | G550MPa | ネジボルト | グレード8.8 |
| 7. | 成形速度 | 25m/分 | 有効幅 | 顧客の設計として |
| 8. | 制御システム | PLC制御システム | ローラー | Cr12 鋼、CNC 旋盤、熱処理、硬質クロムコーティング。 |
| 9. | 油圧モーター | 7.5KW | マシンカラー | 青+黒+オレンジ |
ワークフロー
油圧デコイラー (5トン) → 送りガイド・レベリング・パンチ装置 →油圧プレカッター→メインロール成形機 → 油圧ポストカッター → PLC制御システム →排出ラック(3M*2)
機械部品の展示
レベリング装置
ポストからカット、ストップからカット、2ピースタイプの切刃設計、ブランキングなし
油圧モーター:7.5KW ; 切断圧力: 0-16Mpa;
切削工具材質: Cr12Mov(= SKD11 切削寿命100万回以上)、熱処理HRC58~62度
供給材ガイド付、本体フレームは材質 H400溶接による鋼の型付け
から製造されたシャフト 45#スチール、焼き入れ焼き戻し熱処理、硬質クロムメッキ。
直径=φ80/φ65mm、精密機械加工
PLC制御キャビネット
ポストカッター
機械生産品


シャッタードアロール成形機 完成品
応用事例 (1)
応用事例 (2)

シャッタードアロール成形機 完成品
応用事例 (1)
応用事例 (2)